Fettabscheider NS 1 oval

  • Ausführung
    • Fettabscheider aus Polyethylen zur Aufstellung in frostfreien Räumen
    • kompakte Bauweise in ovaler Bauform
    • nach DIN EN 1825 ohne Trennwand zwischen Schlammfang und Abscheideraum
    • Anschlüsse für Zu- und Ablauf passend für PEHD-Rohr
    • geruchsdichte Revisionsdeckel (1 x NS 1)
    • Rundschauglas, Probeentnahmeeinrichtung, Fülleinrichtung und Absaugeinrichtung optional lieferbar
    Einsatzgebiete
    • Schmutzwasserbehandlung in gastronomischen und fleischverarbeitenden Betrieben
    Lieferumfang
    • Zubehör optional
  • Artikelnummer
    14317
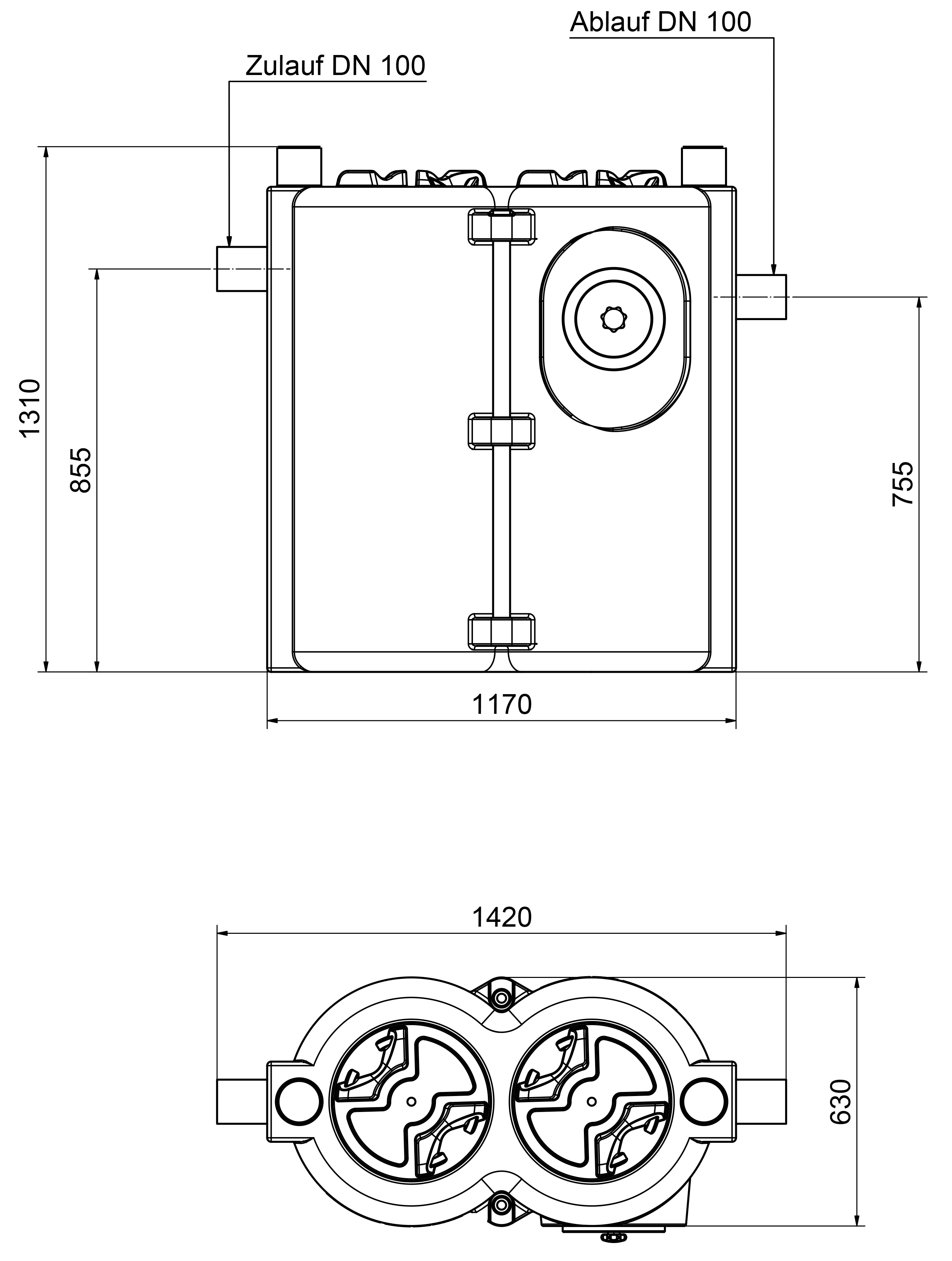
    Breite
    630 mm
    Länge
    1420 mm
    Verpackung (BxHxL)
    800 mm x 1454 mm x 1420 mm
  • Abmessungen - Fettabscheider NS 1 oval
  • 14317_pt.pdf#14317_fr.pdf#14317_es.pdf#14317_pl.pdf#14317_cz.pdf#14317_en.pdf#manual_zp_fa_oval_ns1-10_de.pdf#14317_de.pdf#manual_zp_fa_oval_ns1-10_en.pdfficha de dados#fiche technique#Ficha técnica#karta danych produktu#Datový list#Data sheet#Betriebsanleitung#Datenblatt#Manual-----deArray
    (
        [0] => de_DE.utf8
        [1] => de_DE.UTF-8
        [2] => de_DE
        [3] => deu_DE
        [4] => german
        [5] => german-de
        [6] => de
        [7] => deu
        [8] => germany
    )
    
    1. Datenblatt
    2. Betriebsanleitung

montagefertige Anlagen

Dafür mögen uns Sanitärgroßhandel, Pumpenfachhandel und Installateure:

Bei Zehnder Pumpen bekommen sie alle Pumpensysteme und –anlagen als Fertigpakete inklusive dem kompletten Zubehör geliefert. Schnell und einfach installiert, arbeitet eine Zehnder zuverlässig und leise für viele Jahre. Kalkulation und Termine stimmen, der Kunde ist wunschlos glücklich und ab sofort ein treuer Zehnder-Pumpen-Fan. Was will man mehr?

Pumpen für Haus und Garten

Keller vollgelaufen, Gartenteich verschlammt, Regenwasserzisterne voll?

Zehnder Pumpen Produkte aus dem Bereich Haus und Garten wie Schmutzwasser-Tauchpumpe, Tiefbrunnenpumpe, Gartenpumpe oder Regenwasser-Nutzungsanlage finden Sie im Fachhandel. Sprechen Sie Ihren Installateur, Haustechnikgroß- oder Pumpenfachhändler an oder kontaktieren Sie unseren Vertrieb unter +49 (0)3774/52-100.

Katalog bestellen

Unsere gedruckten Kataloge, Preislisten und Broschüren können Sie Katalog kostenlos anfordern. Das erleichtert Ihnen den Überblick über unser vielfach bewährtes Produktprogramm.

Bitte beachten Sie, dass alle Publikationen auch im Downloadcenter verfügbar sind.
eurologo
Impressum and Datenschutz © Zehnder Pumpen GmbH 2018

Wir nutzen Cookies auf unserer Website. Einige von ihnen sind essenziell für den Betrieb der Seite, während andere uns helfen, diese Website und die Nutzererfahrung zu verbessern (Tracking Cookies). Sie können selbst entscheiden, ob Sie die Cookies zulassen möchten. Bitte beachten Sie, dass bei einer Ablehnung womöglich nicht mehr alle Funktionalitäten der Seite zur Verfügung stehen.