Garden 1000M 230V

  • Ausführung
    • Selbstansaugende Elektrokreiselpumpe mit eingebautem Injektor, die beim Ansaugen auch im Wasser gelöste Gase fördern kann
    • Mit Tragegriff
    • Selbstansaugend bis 8 Meter
    • Laufruhig
    • Saugstutzen und Druckstutzen, Innengewinde (1“ )
    • Diffusor und Injektor aus thermoplastischem Material, geeignet für Trinkwasser
    • Befüllungs- / Entleerungsschraube aus Edelstahl
    Einsatzgebiete
    • Wasserförderung in der Haustechnik
    • Kleinere Bewässerungsanlagen
    • Waschanlagen
    • Umfüllen von Tanks etc.
    • Zur Förderung von klarem Wasser ohne aggressive und abrasive Bestandteile
    • Gartenbewässerung
    Lieferumfang
    • Fertig verkabelt, inkl. 1,5 Meter Netzkabel H05 RNF, mit Stecker und Ein- / Aus-Schalter
  • Artikelnummer
    18562
    Spannungsversorgung
    230 V
    Frequenz
    50 Hz
    Leistung P1
    1.000 W
    Nennstrom
    5,2 A
    Drehzahl
    2900 U/min
    C
    20 µF
    max. Temperatur
    40 °C
    max. Fördermenge
    3,6 m³/h
    Förderhöhe bis zu
    50,0 m
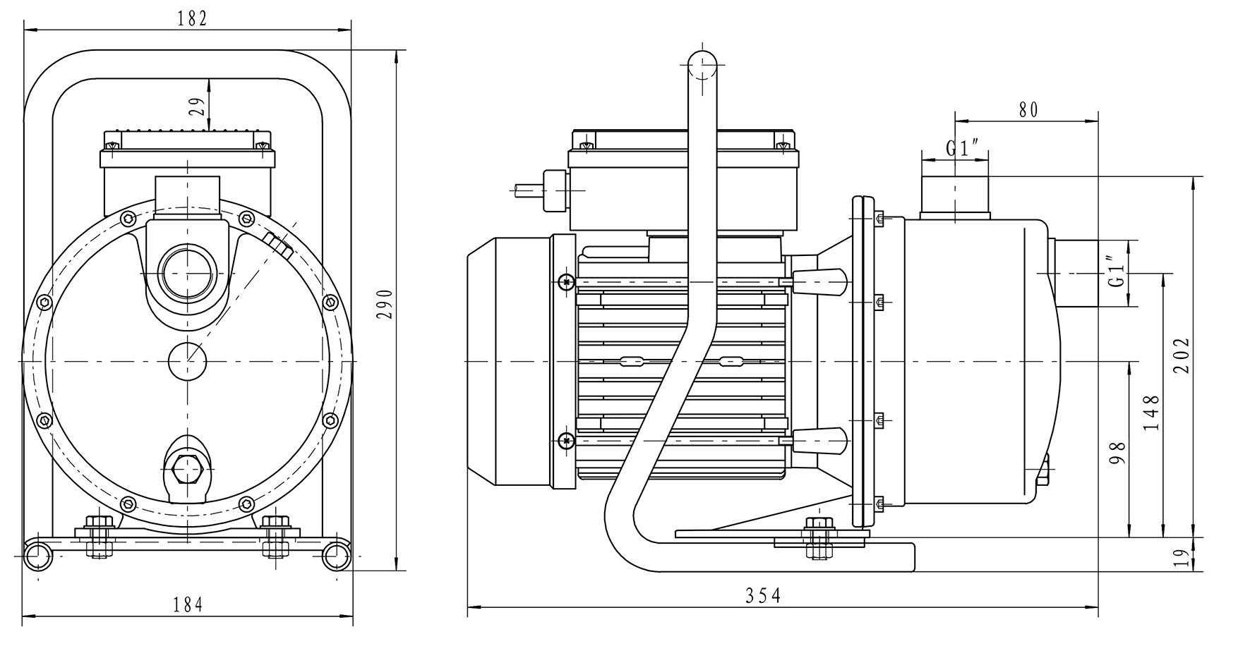
    Breite
    184 mm
    Länge
    354 mm
    Verpackung (BxHxL)
    210 mm x 350 mm x 400 mm
    Ausstattung
    Ein- / Aus- Schalter
  • Kennlinie - Garden 1000M 230V
  • Abmessungen - Garden 1000M 230V
  • 18562_de.pdf#manual_garden1000_bz_fr.pdf#manual_garden1000_bz_en.pdf#18562_bz_cz.pdf#18562_bz_en.pdf#manual_garden1000_bz_de.pdf#18562_cz.pdfDatenblatt#Mode d'emploi#Manual#Datový list#data sheet#Betriebsanleitung#-----deArray
    (
        [0] => de_DE.utf8
        [1] => de_DE.UTF-8
        [2] => de_DE
        [3] => deu_DE
        [4] => german
        [5] => german-de
        [6] => de
        [7] => deu
        [8] => germany
    )
    
    1. Datenblatt
    2. Betriebsanleitung

montagefertige Anlagen

Dafür mögen uns Sanitärgroßhandel, Pumpenfachhandel und Installateure:

Bei Zehnder Pumpen bekommen sie alle Pumpensysteme und –anlagen als Fertigpakete inklusive dem kompletten Zubehör geliefert. Schnell und einfach installiert, arbeitet eine Zehnder zuverlässig und leise für viele Jahre. Kalkulation und Termine stimmen, der Kunde ist wunschlos glücklich und ab sofort ein treuer Zehnder-Pumpen-Fan. Was will man mehr?

Pumpen für Haus und Garten

Keller vollgelaufen, Gartenteich verschlammt, Regenwasserzisterne voll?

Zehnder Pumpen Produkte aus dem Bereich Haus und Garten wie Schmutzwasser-Tauchpumpe, Tiefbrunnenpumpe, Gartenpumpe oder Regenwasser-Nutzungsanlage finden Sie im Fachhandel. Sprechen Sie Ihren Installateur, Haustechnikgroß- oder Pumpenfachhändler an oder kontaktieren Sie unseren Vertrieb unter +49 (0)3774/52-100.

Katalog bestellen

Unsere gedruckten Kataloge, Preislisten und Broschüren können Sie Katalog kostenlos anfordern. Das erleichtert Ihnen den Überblick über unser vielfach bewährtes Produktprogramm.

Bitte beachten Sie, dass alle Publikationen auch im Downloadcenter verfügbar sind.
eurologo
Impressum and Datenschutz © Zehnder Pumpen GmbH 2018

Wir nutzen Cookies auf unserer Website. Einige von ihnen sind essenziell für den Betrieb der Seite, während andere uns helfen, diese Website und die Nutzererfahrung zu verbessern (Tracking Cookies). Sie können selbst entscheiden, ob Sie die Cookies zulassen möchten. Bitte beachten Sie, dass bei einer Ablehnung womöglich nicht mehr alle Funktionalitäten der Seite zur Verfügung stehen.