CPS 15-4 B / ZPC05B

  • Ausführung
    • Selbstansaugende, wartungsfreie, mehrstufige, horizontale Kreiselpumpe
    • Saug- und Druckgehäuse aus entzinkungsbeständigem Alpha-Messing
    • Leiträder aus Spezial-Noryl®
    • ZP Control 05: Saugstutzen 1“ Außengewinde, Druckstutzen 1" Außengewinde
    • Schaltautomat ZP Control 05: Beim Öffnen eines Verbrauchers schaltet die Pumpe automatisch ein. Sind alle Verbraucher geschlossen, schaltet die Pumpe automatisch ab. Zusätzlicher Trockenlaufschutz. Einschaltdruck einstellbar.
    Einsatzgebiete
    • komplettes Wasserversorgungspaket für: Regenwassernutzungsanlagen, Beregnung, Druckerhöhung, klares Wasser ohne aggressive und abrasive Bestandteile
  • Artikelnummer
    20254
    Spannungsversorgung
    230 V
    Frequenz
    50 Hz
    Leistung P1
    900 W
    Nennstrom
    4,0 A
    Drehzahl
    2850 U/min
    C
    16 µF
    max. Temperatur
    40 °C
    max. Fördermenge
    4,0 m³/h
    Förderhöhe bis zu
    40,0 m
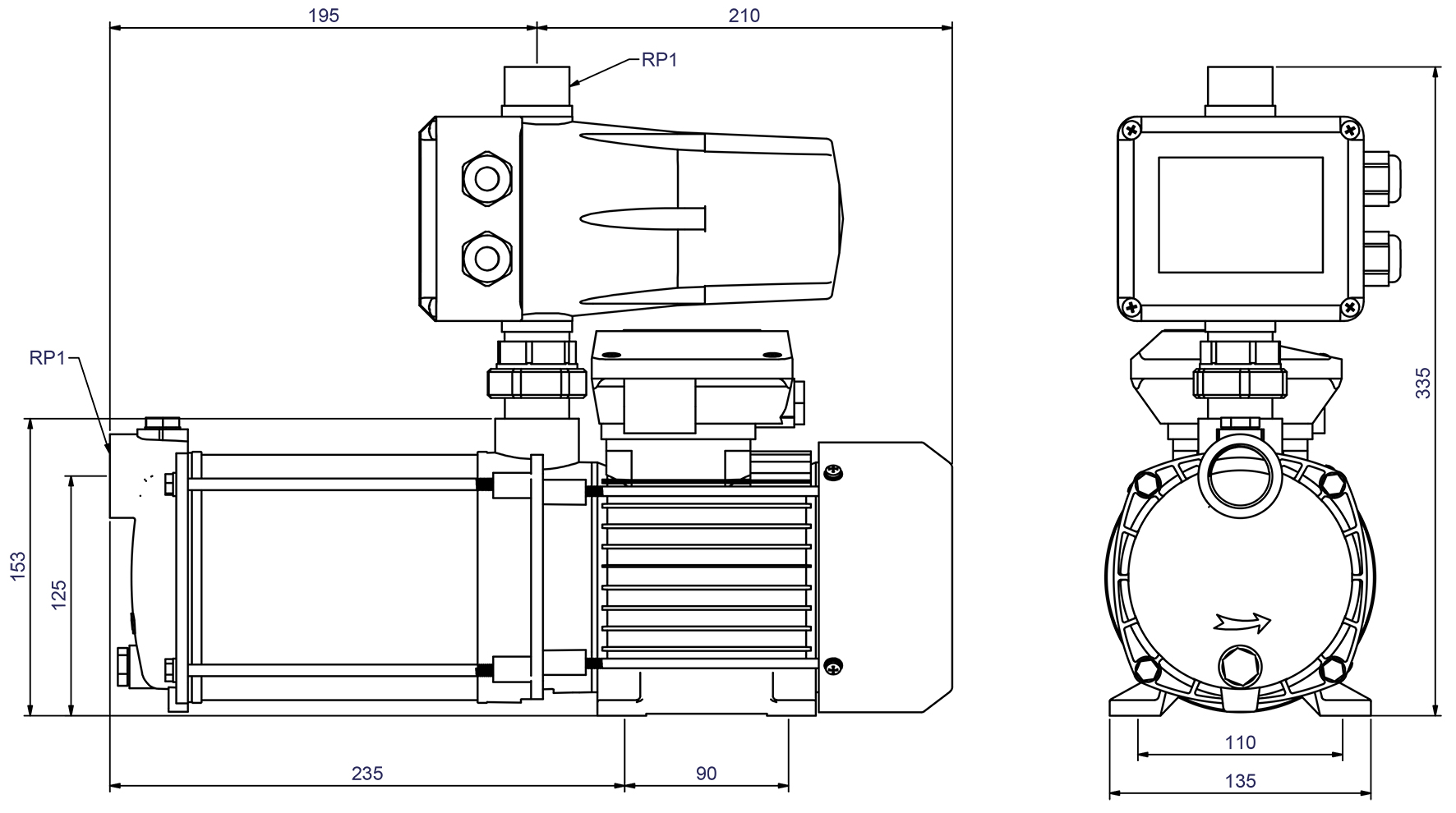
    Breite
    135 mm
    Länge
    405 mm
    Verpackung (BxHxL)
    250 mm x 450 mm x 470 mm
    Ausstattung
    mit elektronischem Druckschalter
  • Kennlinie - CPS 15-4 B / ZPC05B
  • Abmessungen - CPS 15-4 B / ZPC05B
  • manual_cps-kit02pro-zpc05b_bz_de.pdf#20254_bz_cz.pdf#20254_bz_en.pdf#20254_de.pdf#20254_cz.pdfBetriebsanleitung#Datový list#data sheet#Datenblatt#-----deArray
    (
        [0] => de_DE.utf8
        [1] => de_DE.UTF-8
        [2] => de_DE
        [3] => deu_DE
        [4] => german
        [5] => german-de
        [6] => de
        [7] => deu
        [8] => germany
    )
    
    1. Datenblatt
    2. Betriebsanleitung

montagefertige Anlagen

Dafür mögen uns Sanitärgroßhandel, Pumpenfachhandel und Installateure:

Bei Zehnder Pumpen bekommen sie alle Pumpensysteme und –anlagen als Fertigpakete inklusive dem kompletten Zubehör geliefert. Schnell und einfach installiert, arbeitet eine Zehnder zuverlässig und leise für viele Jahre. Kalkulation und Termine stimmen, der Kunde ist wunschlos glücklich und ab sofort ein treuer Zehnder-Pumpen-Fan. Was will man mehr?

Pumpen für Haus und Garten

Keller vollgelaufen, Gartenteich verschlammt, Regenwasserzisterne voll?

Zehnder Pumpen Produkte aus dem Bereich Haus und Garten wie Schmutzwasser-Tauchpumpe, Tiefbrunnenpumpe, Gartenpumpe oder Regenwasser-Nutzungsanlage finden Sie im Fachhandel. Sprechen Sie Ihren Installateur, Haustechnikgroß- oder Pumpenfachhändler an oder kontaktieren Sie unseren Vertrieb unter +49 (0)3774/52-100.

Katalog bestellen

Unsere gedruckten Kataloge, Preislisten und Broschüren können Sie Katalog kostenlos anfordern. Das erleichtert Ihnen den Überblick über unser vielfach bewährtes Produktprogramm.

Bitte beachten Sie, dass alle Publikationen auch im Downloadcenter verfügbar sind.
eurologo
Impressum and Datenschutz © Zehnder Pumpen GmbH 2018

Wir nutzen Cookies auf unserer Website. Einige von ihnen sind essenziell für den Betrieb der Seite, während andere uns helfen, diese Website und die Nutzererfahrung zu verbessern (Tracking Cookies). Sie können selbst entscheiden, ob Sie die Cookies zulassen möchten. Bitte beachten Sie, dass bei einer Ablehnung womöglich nicht mehr alle Funktionalitäten der Seite zur Verfügung stehen.