W 80

  • Model
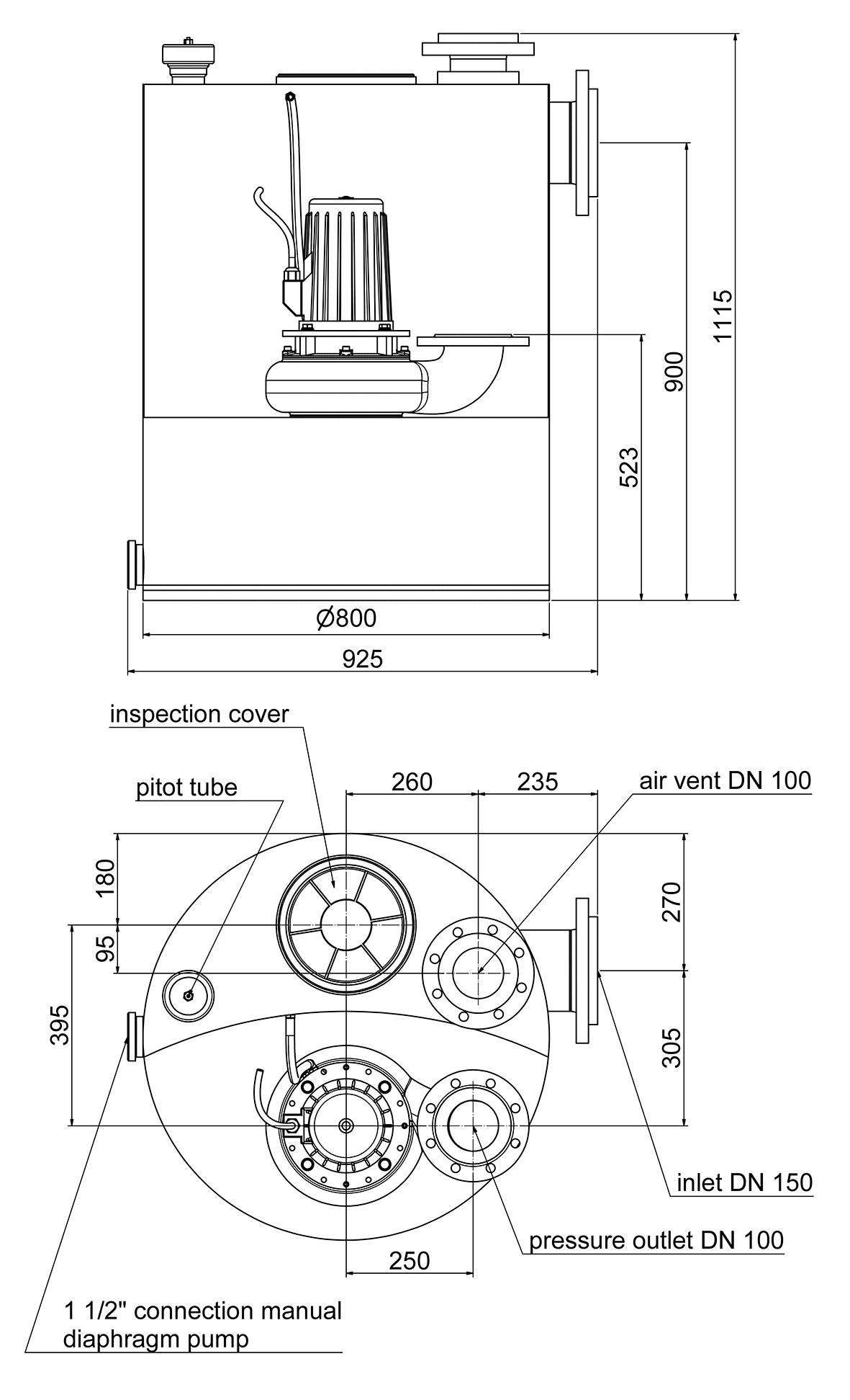
    • polyethylene container with 350 litres capacity and up to 175 litres switching volume
    • vortex pump with large solids handling
    • mechanical seal and shaft seal with intermediate oil chamber
    • pump housing with cast-on outlet bend DN 100
    • lateral inlet with loose-type flange DN 100
    • additional connection 1 ½“ for manual diaphragm pump
    • air vent with loose-type flange DN 100 (Ø 110 mm)
    • operation temperature max. 55°C
    • operating mode S3 - 25%
    • protection grade IP 57 - temporarly submersible
    Application
    • drainage of sewage from apartment buildings or industrial enterprises etc.
    • above-ground installation in frost-free rooms below the backflow level
    Scope of delivery
    • pre-assembled lifting unit with 3,5 m connection cable to the motor and 3,5 m pneumatic tube to the control
    • incl. ZPS1: comfortable, pneumatic level control with microcontroller, LCD plain text display for filling level, maintenance, operating hours, fault message and alarm signal in switchbox for indoor Installation
    • Small compressor set with bubbler system
    • Attention! Non-return valve, gate valve and further junction fittings optional (see accessories)
  • Article number
    10537
    Power supply
    400 V
    Frequency
    50 Hz
    Power P1
    4.000 W
    Power P2
    3.000 W
    Nominal current
    6,9 A
    Drive
    1400 rpm
    Max. temperature
    55 °C
    Max. flow rate
    60,0 m³/h
    Head up to
    11,0 m
    Free passage
    80 mm
    Width
    800 mm
    Diameter
    800 mm
    Length
    925 mm
    P-dimensions (WxHxL)
    800 mm x 1259 mm x 1200 mm
    features
    with pneumatic pump control for single pumps
  • Characteristic - W 80
  • Dimensions - W 80
  •   Product name Article number
  • 10537_pl.pdf#10537_es.pdf#3d_zp_w80_en.pdf#10537_fr.pdf#Hebeanlagen_ZehnderPumpen_de.pdf#10537_pt.pdf#10537_cz.pdf#3d_zp_w80_de.pdf#10537_de.pdf#manual_zp_w80_de.pdf#10537_en.pdf#manual_zp_w80_en.pdfkarta danych produktu#Ficha técnica##fiche technique#Broschüre Hebeanlagen#ficha de dados#Datový list#3D PDF (Adobe Acrobat Reader benötigt)#Datenblatt#Betriebsanleitung#Data sheet#-----enArray
    (
        [0] => en_GB.utf8
        [1] => en_GB.UTF-8
        [2] => en_GB
        [3] => eng_GB
        [4] => en
        [5] => english
        [6] => english-uk
        [7] => uk
        [8] => gbr
        [9] => britain
        [10] => england
        [11] => greatbritain
        [12] => uk
        [13] => unitedkingdom
        [14] => united-kingdom
    )
    
    1. 3d_zp_w80_en.pdf
    2. Data sheet
    3. manual_zp_w80_en.pdf

Zehnder - ready to go

For this reason sanitary wholesalers, pump-specialist shops and installers admire us:

At Zehnder Pumps you will get all pump systems and stations delivered as a complete package including the entire accessories. Quick and easy installed, a Zehnder one works reliable and quite for many years.
What else could you ask for?

Pumps for house and garden

Floodings, cellars filled with water, wells full of useful water, silted garden ponds?

Zehnder products from the area of house and garden such as submersible waste water pumps, deep-well pumps, garden pumps or rainwater utilisation systems can be found in specialist shops. Talk to your installer, home automation wholesaler or pump-specialist trader or contact our sales department at info@zehnder-pumpen.de or call +49 (0)3774/52-100.

Order catalogue

Our printed catalogues, price lists and brochures can be ordered here for free. Thus you can get a better overview about our frequently proved product range.

Please note, all printed forms are also available in the download center.
eurologo
Powered by PIMBase - Concept & Design by Plan-Ad GmbH
Imprint and Privacy Police © Zehnder Pumpen GmbH 2018

We use cookies on our website. Some of them are essential for the operation of the site, while others help us to improve this site and the user experience (tracking cookies). You can decide for yourself whether you want to allow cookies or not. Please note that if you reject them, you may not be able to use all the functionalities of the site.