CPS 15-4 B / ZP Control AdPro

  • Model
    • Self-priming, maintenance-free, multi-stage, horizontal centrifugal pump
    • Suction and discharge cases made of alpha-brass resistant to dezincification.
    • Guide wheels made of special Noryl®
    • O-rings made of NBR
    • AdPro: Suction socket 1”, pressure socket 1” external thread,
    • Automatic circuit breaker AdPro: Adjustable switching-on pressure ranging from 1.5 - 3.5 bar When one of the consumers gets opened, the pump is automatically switched on. When all the consumers are closed, the pump is automatically switched off. Additional dry-running protection
    Application
    • complete water supply package for: Rainwater utilization plants, irrigation, pressure boost, clear water without aggressive and abrasive matters.
  • Article number
    20247
    Power supply
    230 V
    Frequency
    50 Hz
    Power P1
    900 W
    Nominal current
    4,0 A
    Drive
    2850 rpm
    C
    16 µF
    Max. temperature
    40 °C
    Max. flow rate
    4,0 m³/h
    Head up to
    40,0 m
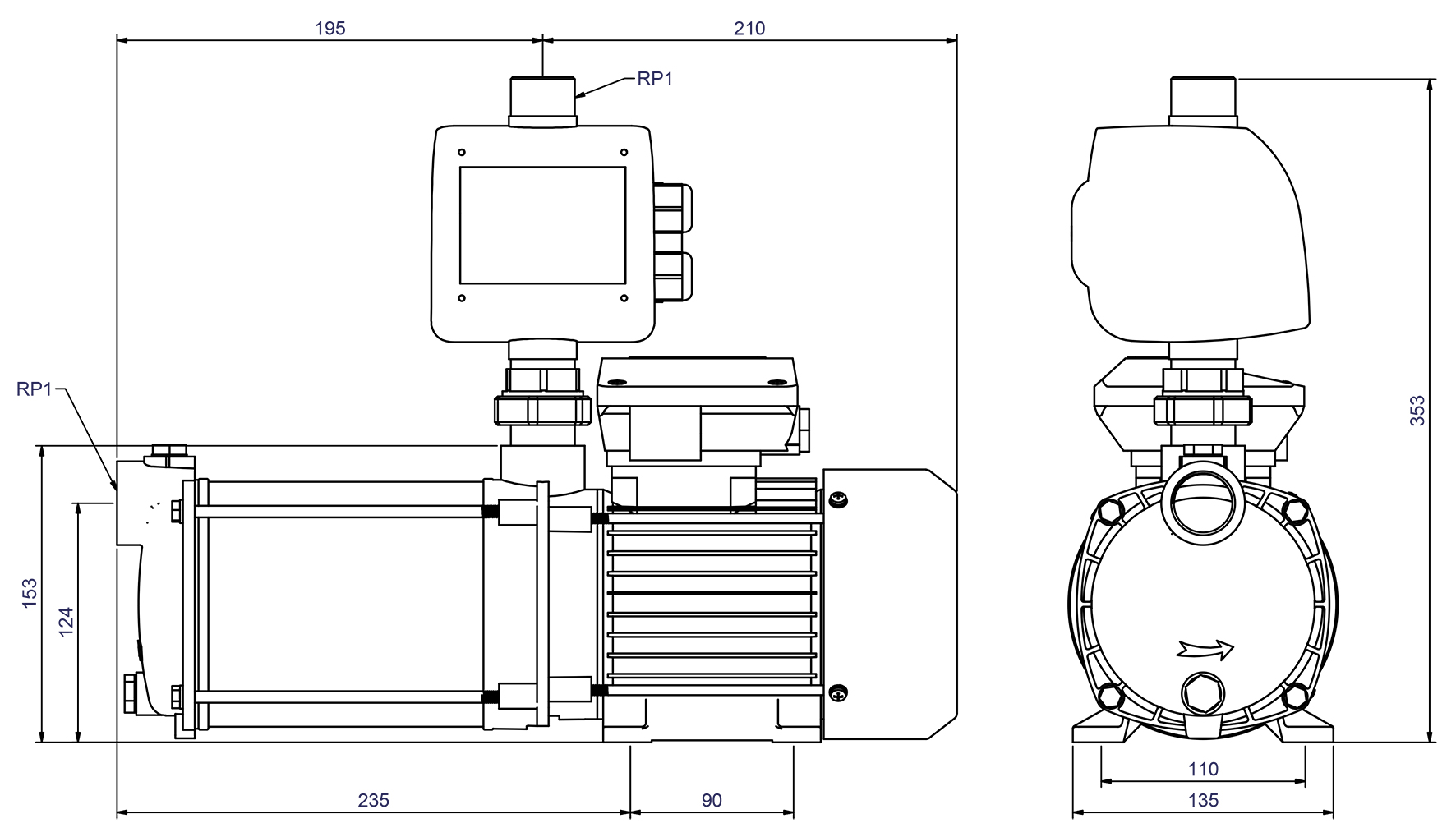
    Width
    135 mm
    Length
    405 mm
    P-dimensions (WxHxL)
    250 mm x 470 mm x 450 mm
    features
    with electronic pressure switch
  • Characteristic - CPS 15-4 B / ZP Control AdPro
  • Dimensions - CPS 15-4 B / ZP Control AdPro
  • 20247_bz_cz.pdf#20247_bz_en.pdf#20247_de.pdf#20247_cz.pdfDatový list#data sheet#Datenblatt#-----enArray
    (
        [0] => en_GB.utf8
        [1] => en_GB.UTF-8
        [2] => en_GB
        [3] => eng_GB
        [4] => en
        [5] => english
        [6] => english-uk
        [7] => uk
        [8] => gbr
        [9] => britain
        [10] => england
        [11] => greatbritain
        [12] => uk
        [13] => unitedkingdom
        [14] => united-kingdom
    )
    
    1. data sheet

Zehnder - ready to go

For this reason sanitary wholesalers, pump-specialist shops and installers admire us:

At Zehnder Pumps you will get all pump systems and stations delivered as a complete package including the entire accessories. Quick and easy installed, a Zehnder one works reliable and quite for many years.
What else could you ask for?

Pumps for house and garden

Floodings, cellars filled with water, wells full of useful water, silted garden ponds?

Zehnder products from the area of house and garden such as submersible waste water pumps, deep-well pumps, garden pumps or rainwater utilisation systems can be found in specialist shops. Talk to your installer, home automation wholesaler or pump-specialist trader or contact our sales department at info@zehnder-pumpen.de or call +49 (0)3774/52-100.

Order catalogue

Our printed catalogues, price lists and brochures can be ordered here for free. Thus you can get a better overview about our frequently proved product range.

Please note, all printed forms are also available in the download center.
eurologo
Powered by PIMBase - Concept & Design by Plan-Ad GmbH
Imprint and Privacy Police © Zehnder Pumpen GmbH 2018

We use cookies on our website. Some of them are essential for the operation of the site, while others help us to improve this site and the user experience (tracking cookies). You can decide for yourself whether you want to allow cookies or not. Please note that if you reject them, you may not be able to use all the functionalities of the site.